暖气片品牌:四通换向阀内部结构与工作原理
一套暖气片系统中,四通换向阀用的只有一两个,但因为在使用的时候,这个阀门坏的十分快,所以我们十分关注这个阀门,那么这个阀门的内部结构是如何的?工作原理又是如何的啦?下面就让暖气片品牌来讲解下吧。
暖气片品牌:四通换向阀内部结构与工作原理
一、暖气片品牌:四通换向阀的结构
四通阀由三个部分组成:先导阀、主阀和电磁线圈。电磁线圈可以拆卸。先导阀与主阀焊接成一体。

①毛细管Capillarytube
?、谙鹊蓟ilotslidevalve③压缩弹簧Compressspring④⑤活塞腔Pistonchamber⑥主滑阀Bodyslidevalve
二、暖气片品牌:四通换向阀的工作原理
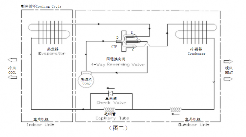
当电磁线圈处于断电状态,如上图一,先导滑阀②在压缩弹簧③驱动下右移,高压气体进入毛细管①后进入活塞腔⑤,另一方面,活塞腔④的气体排出,由于活塞两端存在压差,活塞及主滑阀⑥右移,使E、S接管相通,D、C接管相通,于是形成制冷循环如下图三。

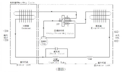
当电磁线圈处于通电状态,如上图二
,先导滑阀②在电磁线圈产生的磁力作用下克服压缩弹簧③的张力而左移,高压气体进入毛细管①后进入活塞腔④,另一方面,活塞腔⑤的气体排出,由于活塞两端存在压差,活塞及主滑阀⑥左移,使S、C接管相通,D、E接管相通,于是形成制热循环。如图四。

以上就是“暖气片品牌:四通换向阀内部结构与工作原理”内容。希望能帮助到你。
上一篇:暖气片品牌:地暖系统安装失败原因





铜铝复合暖气片
钢制暖气片
卫浴暖气片
京公网安备 11011502003490号


