家用暖气片系统阀门开关示意图
一套暖气片系统,我们在春季不用的时候,关闭阀门让暖气片系统处于保养阶段,在冬季我们打开暖气片系统阀门来使用。但暖气片系统阀门因为长时间不使用,我们会忘记阀门开关的方向。下面就让我们一起来看看暖气片系统阀门开关示意图。找找暖气片系统阀门开关方向。
家用暖气片系统阀门开关示意图
一套暖气片系统中阀门大概有八种:暖气片恒压阀、暖气片放气阀、暖气片平衡阀、暖气片控制阀、暖气片截止阀、暖气片逆止阀、暖气片蝶阀、暖气片安全阀。
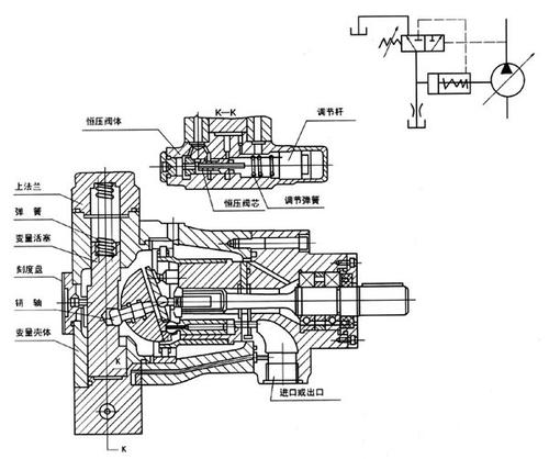
暖气片恒压阀开关示意图

一种恒压阀,其结构包括阀座、阀盖、端盖、调节螺钉、弹性膜片、顶杆、顶杆弹簧、支承套、垫圈、顶针及顶针弹簧,其特征在于垫圈与顶针之间的间隙为圆锥形,恒压阀出口样水的压力更稳定更可靠,调节端盖更容易设定恒压阀出口样水的压力;垫圈采用高强度聚四氟乙烯制成,更耐磨,延长了使用寿命。本恒压阀结构合理,使用方便。
暖气片放气阀开关示意图

放气阀:也叫排气阀,水暖安装中常用的一种用于放气的阀门,一般安装在系统的最高点,经常见于暖气片和分水器上,有手动放气阀和自动放气阀两种,前者需要手动操作,放气后手动关闭,比较麻烦,手动放气阀已逐步淡出市场,后者能随时自动放气,目前新建建筑上大部分使用的是OR自动放气阀,暖气在补水的过程中会有气体进入暖气管道中,当气体拥堵时,会造成暖气不热.所以要设置OR放气阀,用于放走气体,使暖气系统循环通畅。
作用原理:当水进入管路时,塞头停在定位架下部,进行大量排气,当空气排完时,水进入阀门把球浮起,传动塞头到关闭,停止排气。管道在正常运转时自然会产生少量气体,这些气体会到管内上部,到相当程度,阀内水位下降,浮球顺水下降气体从小孔排出,如出现停电、停泵,管道内水流空时随时会出现负压,浮球顺水下降,打开小孔带动大孔进行大量进气确保管道安全。
暖气片平衡阀开关示意图

需要通过专用智能仪表进行一次性调试后锁定,将系统的总水量控制在合理范围内,但是每次改动都需要通过仪表对阀进行再锁定,动态的是自力的不用这么麻烦的,依靠管网中被调介质自身的压力变化进行自动恒定流量,静态的在工程造价上要略微便宜些。
暖气片控制阀开关示意图

在供暖系统中提到,验收规范里关于系统调试,检测供暖水泵启动运行试验装置示意图中,控制阀(信号阀),这个控制阀是一个阀门,还是只要起到控制作用的阀门都是控制阀?括号里面的信号阀也属于控制阀么?
暖气片截止阀开关示意图

截止阀阀体的结构形式有直通式、直流式和直角式。直通式是最常见的结构,但其流体的阻力最大。直流式流体阻力较小,多用于含固体颗?;蛘扯却蟮牧魈?。直角式阀体多采用锻造,适用于较小通经、较高压力的的截止阀。在开闭过程中密封面的摩擦力比闸阀小,耐磨。通常只有一个密封面,制造工艺好,便于维修。
暖气片逆止阀开关示意图

逆止阀(又名止回阀)是指依靠介质本身流动而自动开、闭阀瓣,用来防止介质倒流的阀门,又称逆止阀、单向阀、逆流阀、和背压阀。止回阀属于一种自动阀门,其主要作用是防止介质倒流、防止泵及驱动电动机反转,以及容器介质的泄放。止回阀还可用于给其中的压力可能升至超过系统压的辅助系统提供补给的管路上。
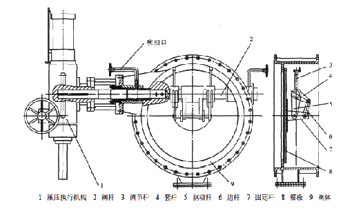
暖气片蝶阀开关示意图

靠改变阀瓣的角度实现调节和开关,由于阀瓣始终处于流动的介质中间,所以形成的阻力较大,因而也较少选用。在阀门型号中用"D"表示。
暖气片安全阀开关示意图

主要用于介质超压时的泄压,以?;ど璞负拖低场T谀承┣榭鱿?,微启式水压安全阀经过改进可用作系统定压阀。





铜铝复合暖气片
钢制暖气片
卫浴暖气片
京公网安备 11011502003490号


